3/8 Inch Aluminum Alloy Easy Coating Transport Set for Air-Operated Double Diaphragm Pump
Wetted Body Material: Aluminum Alloy
Center Air Chamber Material: Aluminum Alloy
Diaphragm material: Teflon (PTFE), Polyethylene(UPE)
It is suitable for the transportation of benzene, solvent, paint, glue, resin, oil, pulp, mud, sludge, casting fluid, methanol, and neutral liquid, but not suitable for acid, alkali, seawater...
DYI SHENG's pneumatic diaphragm pump stands as a dependable and adaptable solution for a multitude of fluid transfer requirements. Its compact, robust design ensures both efficiency and reliability in the face of rigorous industrial conditions. This pneumatic-powered device guarantees not only a secure but also a consistently high-performing option. Furthermore, its diaphragm design ensures the gentle and careful handling of even the most delicate fluids.
Diaphragm Specification:
| Material | Temperature Range |
| UPE (U) | +5 to +50°C |
| PTFE (T) | -10 to +100°C |
Specification:
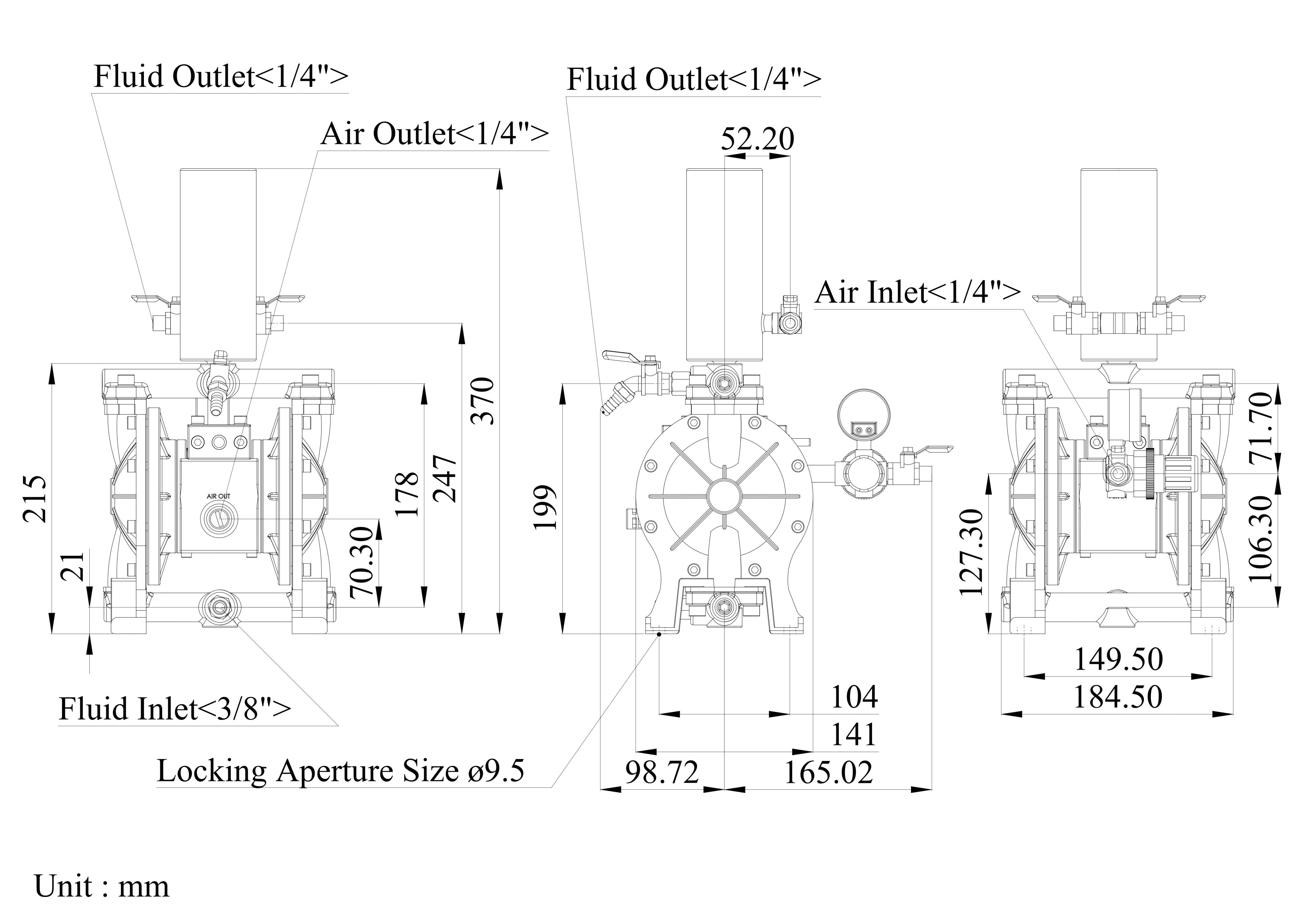
| Suction/ Discharge Port Size | 3/8” PT(BSP) |
| Air Inlet Port Size | 1/4” PT(BSP) |
| Air Exhaust Port Size | 1/4” PT(BSP) |
| Min Air Inlet Pressure | 0.5 Bar(kgf/cm²) ; 7.25psi |
| Max Air Inlet Pressure | 8 Bar(kgf/cm²) ; 116psi |
| Best Air Inlet Pressure Range | 1.5~3.5 Bar(kgf/cm²) ; 21.75psi~50.76psi |
| Discharge Volume Per Cycle | 110 ml/cycle |
| Max Solids Handling | ⌀1.5mm |
| Max Air Consumption | 500Liter/Per Min.;17.66 Scfm/Per Min |
| Max Wet Suction Lift | 6.7 m |
| Port Size | 3/8” | 1/2” | 3/4” |
| Wetted Material | AL | AL | AL |
| Pressure Storage Tank Type | Cylinder | Cylinder | Cylinder |
| Pressure Storage Tank Size | Φ63xH153m/m | Φ63xH153m/m | Φ100xH153m/m |
| Feed and return hose Material | PE | PE | NBR |
| Suction cup filter size | 8.5cm | 8.5cm | 8.5cm |
| Suction cup filter material | AL | AL | AL |
| Screen Filter Material | 60 Mesh/SUS | 60 Mesh/SUS | 60 Mesh/SUS |
| Pump stand | V | V | V |
| Max Flow Rate | 18LPM | 28LPM | 55LPM |
➤Product Certifications
DYI SHENG is a professional manufacturer of air-operated double diaphragm pumps in Taiwan. Dedicated to product research and development, we now have CE, ATEX, and ISO9001 quality certifications. We take high-quality, swift service, innovative technology, honesty, and trustworthiness as our guiding principles.
